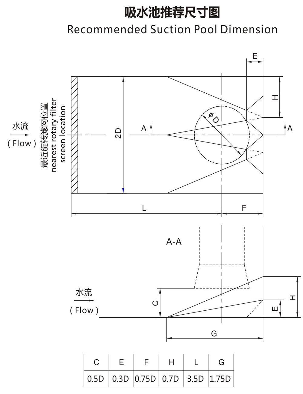
Recommended dimensions of HL vertical long-axis oblique-flow pump suction tank: HLB, HLBK, HLKT, HLBS, HLKS and other long-axis pumps, vertical long-axis pump, long-axis oblique-flow pump, vertical oblique-flow pump, long-axis pump suction tank, vertical long-axis pump suction tank recommended size, for reference only, subject to the actual object!


